Руководства на все автомобили



1. Органы управления и приемы эксплуатации
2. Текущий уход и обслуживание
3. Двигатель
3.0 Двигатель
3.1. Проверка компрессионного давления, оценка состояния цилиндров
3.2. Бензиновые модели
3.2.1 Бензиновые модели
3.2.2 Снятие и установка двигателя
3.2.3 Снятие и установка компонентов привода ГРМ
3.2.4 Снятие и установка впускного трубопровода и выпускного коллектора
3.2.5 Обслуживание головки цилиндров и компонентов газораспределительного механизма
3.2.6 Разборка и сборка блока цилиндров, обслуживание компонентов
3.2.7 Снятие и установка поддона картера
3.2.8 Снятие, установка и обслуживание масляного насоса
3.2.9 Снятие и установка маховика/приводного диска
3.2.10 Снятие и установка маслораспылителей
3.2.11 Замена сальников коленчатого вала
3.3. Дизельные модели
4. Системы охлаждения, отопления, вентиляции и кондиционирования воздуха
5. Системы питания, управления двигателем/снижения токсичности отработавших газов и выпуска отработавших газов
6. Системы электрооборудования двигателя
7. Пятиступенчатая ручная коробка переключения передач
8. Автоматическая трансмиссия
9. Трансмиссионная линия
10. Тормозная система
11. Подвеска и рулевое управление
12. Кузов
13. Бортовое электрооборудование
14. Контрольные кузовные размеры
15. Схемы электрических соединений
16. Идентификационные номера и информационные ярлыки


Ссылки на другие сайты
 

Автомобиль Kia Sportage (Киа Спортейдж)



Все автомобили  »  Kia Sportage (Киа Спортейдж) .

3.2.3 Снятие и установка компонентов привода ГРМ

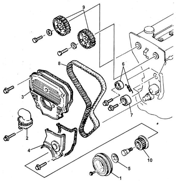
Снятие и установка компонентов привода ГРМ

 border=

Данная процедура относится к числу тех, выполнение которых не требует снятия двигателя с автомобиля.

Детали установки компонентов привода ГРМ см. также Раздел Проверка состояния и замена ремня привода ГРМ в Главе Текущий уход и обслуживание.

Детали установки компонентов привода ГРМ

1 — Шкив коленчатого вала
2 — Термостат
3 — Верхняя крышка привода ГРМ
4 — Нижняя крышка привода ГРМ
5 — Направляющая шайба

6 — Натяжной ролик с пружиной
7 — Промежуточный ролик
8 — Газораспределительный ремень
9 — Зубчатые колеса привода распределительных валов
10 — Зубчатое колесо коленчатого вала


 ПОРЯДОК ВЫПОЛНЕНИЯ

  1. При отпускании болтов крепления шкива и зубчатого колеса коленчатого вала последний может быть заблокирован от проворачивания путем фиксации зубчатого венца маховика/приводного диска при помощи специального приспособления. Постарайтесь не повредить демпфер крутильных колебаний в ступичной части шкива.
  1. Распределительные валы могут блокироваться от проворачивания при отпускании болтов крепления зубчатых колес их привода через окна в торцевой части последних.
  1. При установке компонентов на место проследите за правильностью совмещения установочных меток (см. Раздел Проверка состояния и замена ремня привода ГРМ в Главе Текущий уход и обслуживание). Весь крепеж затягивайте с требуемым усилием.


Hosted by uCoz