Руководства на все автомобили



1. Органы управления и приемы эксплуатации
2. Текущий уход и обслуживание
3. Двигатель
3.0 Двигатель
3.1. Проверка компрессионного давления, оценка состояния цилиндров
3.2. Бензиновые модели
3.2.1 Бензиновые модели
3.2.2 Снятие и установка двигателя
3.2.3 Снятие и установка компонентов привода ГРМ
3.2.4 Снятие и установка впускного трубопровода и выпускного коллектора
3.2.5 Обслуживание головки цилиндров и компонентов газораспределительного механизма
3.2.6 Разборка и сборка блока цилиндров, обслуживание компонентов
3.2.7 Снятие и установка поддона картера
3.2.8 Снятие, установка и обслуживание масляного насоса
3.2.9 Снятие и установка маховика/приводного диска
3.2.10 Снятие и установка маслораспылителей
3.2.11 Замена сальников коленчатого вала
3.3. Дизельные модели
4. Системы охлаждения, отопления, вентиляции и кондиционирования воздуха
5. Системы питания, управления двигателем/снижения токсичности отработавших газов и выпуска отработавших газов
6. Системы электрооборудования двигателя
7. Пятиступенчатая ручная коробка переключения передач
8. Автоматическая трансмиссия
9. Трансмиссионная линия
10. Тормозная система
11. Подвеска и рулевое управление
12. Кузов
13. Бортовое электрооборудование
14. Контрольные кузовные размеры
15. Схемы электрических соединений
16. Идентификационные номера и информационные ярлыки


Ссылки на другие сайты
 

Автомобиль Kia Sportage (Киа Спортейдж)



Все автомобили  »  Kia Sportage (Киа Спортейдж) .

3.2.8 Снятие, установка и обслуживание масляного насоса

Снятие, установка и обслуживание масляного насоса

 border=

Данная процедура относится к числу тех, выполнение которых не требует снятия двигателя с автомобиля.

Снятие

 ПОРЯДОК ВЫПОЛНЕНИЯ

  1. Опорожните систему охлаждения (см. Главу Текущий уход и обслуживание).
  2. Отсоедините отрицательный провод от батареи.
  3. Слейте двигательное масло (см. Главу Текущий уход и обслуживание).
  4. Снимите ремень привода ГРМ (см. Главу Текущий уход и обслуживание).
  5. Снимите поддон картера, маслозаборник и маслоотражатель (см. Раздел Снятие и установка поддона картера).
  6. Выверните два болта крепления рулевого насоса и четыре болта крепления его опорного кронштейна.
  7. Снимите рулевой насос в сборе с опорным кронштейном.
  8. Снимите с коленчатого вала зубчатое колесо привода ГРМ, - в случае необходимости воспользуйтесь съемником, предназначенным для демонтажа рулевого колеса.
  9. Выверните четыре оставшихся крепежных болта и снимите сборку масляного насоса.
  1. Снимите с насосной сборки уплотнительное кольцо (1).

Установка

 ПОРЯДОК ВЫПОЛНЕНИЯ

  1. Установите на насосную сборку НОВОЕ уплотнительное кольцо.
  1. Наложите на сопрягаемую поверхность насосной сборки непрерывную подушку герметика.
  1. Установите насос на двигатель и закрепите его четырьмя болтами, затянув последние с требуемым усилием (болты А: 22 Нм, болты В: 44.5 Нм).
  2. Выверните два нижних, затем два верхних болта крепления компрессора К/В.
  3. Отпустите три болта крепления опорного кронштейна компрессора К/В.
  4. Установите опорный кронштейн рулевого насоса и закрепите его четырьмя болтами, затянув их вручную.
  5. Затяните три болта крепления опорного кронштейна К/В.
  6. Установите на место компрессор К/В, вручную затянув болты его крепления.
  7. Затяните болты крепления компрессора (сначала верхние, затем нижние) с требуемым усилием (23.5 Нм).
  8. Затяните с требуемым усилием (32.4) болты крепления опорного кронштейна рулевого насоса.
  9. Установите рулевой насос и закрепите его двумя болтами, затянув последние с требуемым усилием (57.5 Нм).
  10. Установите на место зубчатое колесо коленчатого вала, затянув большой центральный болт с требуемым усилием (162 Нм).
  11. Дальнейшая установка производится в порядке, обратном порядку демонтажа компонентов. Не забывайте о необходимости соблюдения требований Спецификаций Главы Двигатель к усилиям затягивания резьбового крепежа.
  12. Залейте в двигатель свежее моторное масло.
  13. Запустите двигатель и проверьте его на наличие признаков развития утечек через стыки установленных компонентов.
  14. В заключение проверьте правильность установки угла опережения зажигания, в случае необходимости произведите соответствующую корректировку (см. Главу Системы электрооборудования двигателя).

Обслуживание

 ПОРЯДОК ВЫПОЛНЕНИЯ

  1. Снимите сборку масляного насоса.

Разборка

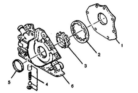
Конструкция масляного насоса

1 — Крышка
2 — Наружный ротор
3 — Внутренний ротор

4 — Сборка редукционного клапана
5 — Сальник
6 — Корпус


 ПОРЯДОК ВЫПОЛНЕНИЯ

  1. Перенесите насосную сборку на верстак, выверните семь крепежных винтов и снимите крышку (1).
  2. Извлеките внутренний (3) и наружный (2) роторы.
  3. Извлеките стопорное кольцо и снимите компоненты редукционного клапана (седло, пружину и плунжер).
  4. Извлеките сальник (5), - сальник подлежит замене в обязательном порядке (см. Раздел Замена сальников коленчатого вала).

Проверка

 ПОРЯДОК ВЫПОЛНЕНИЯ

  1. Внимательно осмотрите корпус и крышку насоса, в случае выявления трещин, деформаций и прочих механических повреждений замените дефектные компоненты.
  2. Оцените степень износа плунжера сборки редукционного клапана, в случае необходимости произведите его замену.
  3. Проверьте состояние пружины клапанной сборки, в случае выявления дефектов произведите замену. Измерьте свободную длину пружину, - если результат измерения превышает значение 45.5 мм, пружина также подлежит замене.
  4. Произведите контрольные замеры:
  • Измерьте величину осевого люфта роторов;
  • Измерьте величину зазора между вершинами зубьев роторов;
  • Измерьте величину люфта посадки наружного ротора в рабочей камере корпуса .
  1. Сравните результаты измерений с требованиями Спецификаций Главы Двигатель, в случае необходимости произведите соответствующие замены.

Сборка

 ПОРЯДОК ВЫПОЛНЕНИЯ

  1. Установка производится в порядке, обратном порядку демонтажа компонентов. Перед посадкой в насосную сборку смажьте НОВЫЙ сальник чистым двигательным маслом. Крышка сажается на корпус через герметик. Проследите, чтобы крепежные винты были затянуты с требуемым усилием (7.5 Нм).


Hosted by uCoz