Руководства на все автомобили



1. Органы управления и приемы эксплуатации
2. Текущий уход и обслуживание
3. Двигатель
3.0 Двигатель
3.1. Проверка компрессионного давления, оценка состояния цилиндров
3.2. Бензиновые модели
3.2.1 Бензиновые модели
3.2.2 Снятие и установка двигателя
3.2.3 Снятие и установка компонентов привода ГРМ
3.2.4 Снятие и установка впускного трубопровода и выпускного коллектора
3.2.5 Обслуживание головки цилиндров и компонентов газораспределительного механизма
3.2.6 Разборка и сборка блока цилиндров, обслуживание компонентов
3.2.7 Снятие и установка поддона картера
3.2.8 Снятие, установка и обслуживание масляного насоса
3.2.9 Снятие и установка маховика/приводного диска
3.2.10 Снятие и установка маслораспылителей
3.2.11 Замена сальников коленчатого вала
3.3. Дизельные модели
4. Системы охлаждения, отопления, вентиляции и кондиционирования воздуха
5. Системы питания, управления двигателем/снижения токсичности отработавших газов и выпуска отработавших газов
6. Системы электрооборудования двигателя
7. Пятиступенчатая ручная коробка переключения передач
8. Автоматическая трансмиссия
9. Трансмиссионная линия
10. Тормозная система
11. Подвеска и рулевое управление
12. Кузов
13. Бортовое электрооборудование
14. Контрольные кузовные размеры
15. Схемы электрических соединений
16. Идентификационные номера и информационные ярлыки


Ссылки на другие сайты
 

Автомобиль Kia Sportage (Киа Спортейдж)



Все автомобили  »  Kia Sportage (Киа Спортейдж) .

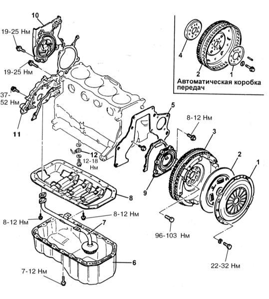
3.2.9 Снятие и установка маховика/приводного диска

Снятие и установка маховика/приводного диска

Детали установки маховика/приводного диска

1 — Корзина сцепления (РКПП)/гидротрансформатор (АТ)
2 — Ведомый диск сцепления (РКПП)
3 — Маховик/приводной диск
4 — Планшайба (АТ)
5 — Задняя пластина
6 — Поддон картера

7 — Маслозаборник
8 — Маслоотражатель
9 — Задняя крышка с сальником коленчатого вала
10 — Водяной насос
11 — Масляный насос с передним сальником коленчатого вала
12 — Маслораспылитель


 ПОРЯДОК ВЫПОЛНЕНИЯ

  1. При отпускании крепежных болтов заблокируйте маховик/приводной диск от проворачивания при помощи специального приспособления (см. иллюстрацию).
  2. Сняв маховик/приводной диск, тщательно протрите его, затем осмотрите на наличие трещин, задиров и прочих механических повреждений, - незначительные дефекты могут быть устранены при помощи мелкозернистой наждачной бумаги, в случае более серьезных повреждений сборку следует проточить, либо заменить.
  3. Оцените состояние зубьев венца маховика/приводного диска. В случае необходимости зубчатый венец может быть заменен путем протачивания и сбивания зубилом и установки нового, - перед посадкой на маховик/приводной диск новый зубчатый венец следует разогреть до температуры 250 ÷ 300 °С.
 border=

Зубчатый венец устанавливается скошенным краем к двигателю.


  1. Временно закрепите маховик/приводной диск на коленчатому валу и при помощи измерителя DTI определите величину его поперечного биения. Если результат измерения превышает величину 0.2 мм, маховик/приводной диск следует отдать в проточку, либо заменить, - предельная допустимая глубина проточки составляет 0.5 мм.


Hosted by uCoz